Howdy y'all,
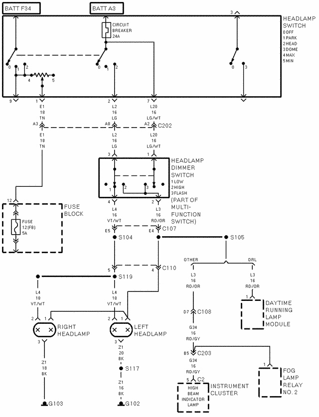
Lived in Middle Tennessee almost my entire life. Worked at UPS Whites Creek Hub for 23 years. I have a troubling issue with my 2007 JKU and am curious if anyone else here has and possibly solved it. I bought this thing off eBay about a year ago and it's been pretty much trouble free. Started doing basic maintenance and beginning upgrades (to my tastes) right afterwards. One particular upgrade which is a two part actually, was replacing the stock grill and parking/signal lights. I replaced the grill with one of those demon types and bought new JW Speaker parking/signal lamps as replacements for the factory units that weren't working anyway. Once I got to taking the lights out, I noticed the actual light units weren't even there. But it still had only the amber lenses. I thought 'cool, this will definitely be an upgrade'. However, after getting the new lights installed into the slots in the grill and everything in place and hooked up, no lights. So I've tried to research this best I'm able. I've found a couple of items. One person on YT suggests the circuit is wired and soldered into the instrument cluster board. Another or more are having me search for some hidden remote fuse box that would have an appropriate relay or fuse(s). I've found zilch. Still these lights aren't functional. Anyone else encounter this? Anyone who has, found a solution? Please advise.
Lived in Middle Tennessee almost my entire life. Worked at UPS Whites Creek Hub for 23 years. I have a troubling issue with my 2007 JKU and am curious if anyone else here has and possibly solved it. I bought this thing off eBay about a year ago and it's been pretty much trouble free. Started doing basic maintenance and beginning upgrades (to my tastes) right afterwards. One particular upgrade which is a two part actually, was replacing the stock grill and parking/signal lights. I replaced the grill with one of those demon types and bought new JW Speaker parking/signal lamps as replacements for the factory units that weren't working anyway. Once I got to taking the lights out, I noticed the actual light units weren't even there. But it still had only the amber lenses. I thought 'cool, this will definitely be an upgrade'. However, after getting the new lights installed into the slots in the grill and everything in place and hooked up, no lights. So I've tried to research this best I'm able. I've found a couple of items. One person on YT suggests the circuit is wired and soldered into the instrument cluster board. Another or more are having me search for some hidden remote fuse box that would have an appropriate relay or fuse(s). I've found zilch. Still these lights aren't functional. Anyone else encounter this? Anyone who has, found a solution? Please advise.
Last edited by a moderator:
