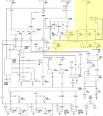
I bought some new leds for my dash and soundbar dome light and when i was putting the 578 led in the dome light it lit up for half a second and then went out completely. Before this my courtesy and dome lights were working fine now neither will come on. I checked the dome light fuse and its fine. How bad did i mess up?
