02 Grand cherokee with broken heater fan -- have codes, now what?

silverback

New member
I have an 02 Grand Cherokee and the heater fan blows intermittently, but mostly does not work. I was going to remove the blower and replace the resistor, the blower and the wiring harness, but two things stopped me:

1. I could not get the third screw out of the blower housing. The one next to the kick panel on the passenger side. There is some black plastic thing in the way.

2. Since I couldn't get the blower motor out, I was thought I would check the codes to see if I could find anything out. I got 52, 54, 56, which means the recirc door, the dirver's blend door, and the passenger's blend door all have too much travel. It seems odd that I would need to replace all of these at the same time. Are they related to a blower motor/resistor failure?

Before I spend $200 on parts, I would like to know how I can tell if I need to replace the blower motor, the resistor, or both? I don't have a multimeter. I imagine I will have to buy one, but I am not even sure where I am hooking it up. Am I bench testing, or do I have to do it in the vehicle?

I am assuming I can tell if the wiring harness is bad by a visual inspection. And I don't mind spending $16 on that.

Thanks for any help. I think I know just enough to be dangerous (enough to refuse to take it to a garage).
 

Ok, let's start with the Blower Motor. if the only reason your removing the blower motor is to replace the resistor, STOP. The Resistor Block is located close to the Blower Motor. there is an electrical connector on the blower motor that connects to the resistor block. disconnect this connector and follow it to the resistor block. remove the two screws then remove the resistor and replace as nescessary. IF you still wish to remove the Blower motor, That Black plastic thingy majigy that's on the floor board is no more than just an insulation. you can trim out a section of this to get more access to the screw on the corner of the blower motor. you will need a wobller socket and an extension with a lot of patience to get this off for the first time.
Moving on the Dtc's you have retrieved from the HVAC module. Depending on the HVAC control head you have(manual or Automatic zone Control) , the HVAC actuators will not cause the Resistor or the Blower motor to fail or not function. An automatic zone control system can detect certain failures on the blower and resistor but its pretty much in general, not in detail. The Dtc's indicating too much travel could either mean that the HVAC door actuators needs to be calibrated. the worse case scenario would be that the mode door shafts actually broke in HVAC housing. none of these codes indicates a failure on the actuators so don't replace them yet. The only way I know how to recalibrate all the HVAC doors is thru the DRB3 by performing a reset function.
 
Last edited:
Ok, let's start with the Blower Motor. if the only reason your removing the blower motor is to replace the resistor, STOP.

Maybe I got ahead of myself. I thought (and perhaps incorrectly) that if the wiring harness failed it was because of a failure of another component, and the most comon failure is the resistor. I also thought that the most common cause of resistor failure was a bad blower motor. That is why I was going to replace all 3 components.

I did not want to spend $100 on a resistor and have the new one blow out because my blower motor is bad.

I forgot to mention I have AZC.

Where canI find instructions on recalibrating the HVAC doors thru the DRB3 by performing a reset function?

Thanks for the help.
 

Maybe I got ahead of myself. I thought (and perhaps incorrectly) that if the wiring harness failed it was because of a failure of another component, and the most comon failure is the resistor. I also thought that the most common cause of resistor failure was a bad blower motor. That is why I was going to replace all 3 components.

I did not want to spend $100 on a resistor and have the new one blow out because my blower motor is bad.

I forgot to mention I have AZC.

Where canI find instructions on recalibrating the HVAC doors thru the DRB3 by performing a reset function?

Thanks for the help.

If your blower only operates on high ,and no Med or Low, that would indicate a resistor failure. If the blower doesn't work in any settings at all ,there is a possibility that the blower Could be bad or there is a fault in the electrical connection. If when the blower does not operate at all, Give the blower a little bump and see it it kicks on. if it does, check the connections and if thats ok, replace the blower motor. If you have a multi- meter or a test lamp, you can unplug the blower motor controller connector. there's going to be three wires on this connector. Black= Ground, Red/ Light Green= Blower motor control ckt, Dark green = Blower motor supply. the black and Dark green should have 12 volts with the Key on and the AZC set on on. I can give you more Details on the wiring if needed, just let us know which direction you want to go. as for the Re-Calibration of the Actuators and Doors, if you have access to a DRB3, Go to the Body menu then click on HVAC. here you will have the options of scanning, monitoring and caliblration. if i remember correctly, the Calibration is on the Misc. menu, then perform the calibration. If you decide that you want to remove the Instrument Panel, Bounty_Hunter has provided a Detailed instructions on how to do so thru the link. Let us know what you need help with. I will be on and off today to check on this post(gotta do some welding).
 
Thanks for the help. I did see the website on wjjeeps. That is what prompted this post because the repair procedure looks intimidating and very involved.

It is very helpful in telling me how to fix the problem, but I am not sure what my problem is.

Where do you guys suggest that I start? Should I be looking at the blower issue or the recirc and blend doors first?

This blower motor controller connector, where exactly is it?

Thanks.
 
I would repair the intermittent issue with the blower first so that you will have Heat or A/C when you need it.
The controller is mounted to the HVAC housing, under the instrument panel and just inboard of the blower motor, in the same location used for the blower motor resistor on manual temperature control systems. It can be accessed without removing any other components. The best way to test this system (AZC) is with a Multimeter. when the blower is inop, wiggle the blower motor connector and see if the blower kicks on. if it does, disconnect the connector and inspect the terminals for heat damage. if it passes inspection, then the blower motor is more likely to be at fault. If it does not kick on, test the circuit for voltage. if the AZC is set at Full, then the Voltage should be close or at Battery voltage. The blower motor controller adjusts the battery feed voltage to the blower motor, based upon an input from the blower motor switch, through the AZC control module. Pulse width modulation of blower power allows the blower to operate at any speed from stationary, to full speed. so with this in mind, the voltage you will see on the Multimeter may vary from 0 to 12 volts. this would not mean that the blower controller is at fault unless the AZC blower setting is set on high. Perform this test , if you dont locate the problem, let us know so we can do some more Diagnostics on the circuits.

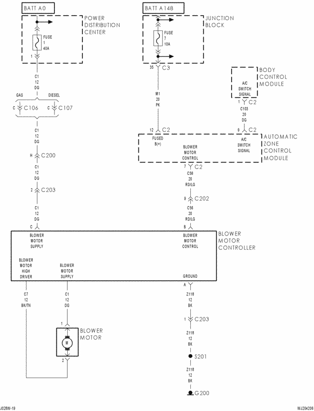
BLOWER MOTOR CONTROLLER (AZC) - BLACK 3 WAY

CAVCIRCUITFUNCTIONAZ118 12BKGROUNDBC56 20RD/LGBLOWER MOTOR CONTROLCC1 12DGBLOWER MOTOR SUPPLY
 

Attachments

  • AZC pinout.gif
    AZC pinout.gif
    11.2 KB · Views: 1,827
  • AZC Wiring.gif
    AZC Wiring.gif
    16.7 KB · Views: 2,323
Last edited:

If your blower only operates on high ,and no Med or Low, that would indicate a resistor failure. If the blower doesn't work in any settings at all ,there is a possibility that the blower Could be bad or there is a fault in the electrical connection.

Generally, the blower does not work at all. It will randomly kick on for a few seconds here and there. I am thinking it is a bad motor or connection.

I would repair the intermittent issue with the blower first so that you will have Heat or A/C when you need it.

So the faulty doors and fan/resistor are not necessarily related? THat's really my number 1 priority is getting the fan to work so I can drive it ( no defrost right now).

I was worried that the bad doors might somehow have been what caused the blower or the resistor to go bad.

I will try to test the controller, but it's been raining all day, and I don't have access to a garage. I'm not sure when I'll get a chance to do it.

It might not be for several days. I will report back once I do.
 
Is it the little box that is held in with two silver screws and has the three wired connector going into it? Right against the firewall?
 
Is it the little box that is held in with two silver screws and has the three wired connector going into it? Right against the firewall?
Yes , it's got 3 wires connected to it. i don't remember it's placement. it's close by the blower area since it has to be cooled down by the blower. There should be 2 sets of connector or at least a Y in the circuit. One set of circuit from the AZC and the other to the Blower motor. if it leads to the blower, then you have found the Controller.. Use the Schematic diagram as a guide. The color codes on the wires will get you from point A to point B..
 

OK,

I'm on a rain delay.

When I jiggled those wires, the blower came on. I took out the two screws holding the controller in. Then I took out the grey retainer holding the wiring harness in and I tried to remove the wiring harness. There is a little plastic thing that I am pushing, but I cannot get it out. I am really pulling on it and it won't come out. Not sure what to do here.

I've just about lost all my daylight I might have to try it after work tomorrow.
 
Great Job! That means your getting closer to solving the issue. Some if not, ALL the electrical connectors has what i call child proof connectors. if there is a Red Tab going across the connector latch, you must disengage this lock first by removing it then you can unplug the connector.. check the terminals for heat damage or corrosion.
 
Now I have a bigger problem . . .

My wife said she drove it all day and the heater was "fixed." I still never got the wire connecter out of the controller box.

I got into it, turned it around and parked it. Then I went to start it up again and IT WON'T START!!!

I don't know if this is related to the heater problem. I just put a new starter in it less than a year ago. I tried to jump it and there is just nothing when I turn the key, just a single click.

I am completely lost now.
 

Now I have a bigger problem . . .

My wife said she drove it all day and the heater was "fixed." I still never got the wire connecter out of the controller box.

I got into it, turned it around and parked it. Then I went to start it up again and IT WON'T START!!!

I don't know if this is related to the heater problem. I just put a new starter in it less than a year ago. I tried to jump it and there is just nothing when I turn the key, just a single click.

I am completely lost now.

The Blower circuit has nothing to do with the No start issue.. That clicking noise is an indication that you either have a bad battery or a bad connection to the battery. If the battery is completely depleted, you need to leave a charger on the battery for at least 20 mins. before you attempt to start the engine.. Have your battery and alternator tested.
 
OK, had to put a new starter in the jeep after the MOPAR starter died, 13K miles after I had it put on at a jeep garage and found that it had a 12k warranty.:x

Anyway, back to the heater. I still cannot get the plug out of the box. The end of the saftey clip is burned, so I am pretty sure that I will need to replace the plug. I just cannot get it out. I am thinking that it is so melted that it became deformed and will not come out.

I am pressing on the little button that needs to go down when you pull it out, but it doesn't really matter because most of the plastic that goes around it is now broken off anyway.

Any suggestions?

Thanks.
 

Which box are you refering to? . Some connectors have safety locks on them., it is red in color that goes across the release tab. You must disengage this first before the tab releases. it only goes one way. If the plastic housing is severely burnt to where the plastics are melted together, the only 2 options are to break up all the plastics around the connector and replace the overheated spade connectors on the wiring harness side. Or,If the issue is on the blower connector and the harness that connects to the blower is coming out of the Resistor block, Replace the resistor with that burnt wiring connector and replace the blower motor assembly.
 
it is the box next to the firewall on the passenger side with a red and black wire and a wire connecter with three wires (this is what is melted). The safety tab was gray, and I have removed it. There is also a spring loaded push tab, that I am pushing, but the wire connector still won't budge.
 
That sounds like the Resistor block. Red and Black goes to the blower motor and the other connector with 3 wires goes to the Hvac control head. Your probbably gonna have to destroy the resistor block in pieces to salvage the connectors plugged into it. Another option is to find those connectors from a salvage yard and just replace the whole thing. Your choice.
 

Finally some progress

Ok, the weather broke and I was able to get something done.

I really yanked on the 3-wire connector going into the resistor block and finally got it out thanks to a pair of Robo-grips.

The outside two wires were melted.

I checked them with the multimeter and the fan set on high. I got 13.67 volts. The battery voltage was 12.75 volts.

What should I do now?
 
Back
Top